logo

Как подключать устройства к GPIO роутеров iRZ серии R2

В данной статье приведены примеры схем подключения устройств и электромагнитных реле к GPIO роутеров серии R2.

Порты GPIO в роутерах iRZ серии R2 выведены на разрывной клеммный коннектор 12 pin, расположенный на передней панели устройства.

GPIO порты могут работать как вход (GPI), и как выход (GPO). Соответствующая конфигурация выбирается программным образом в веб-интерфейсе роутера. В режиме GPO все GPIO порты можно разделить на два класса: слаботочные (GPIO1 – GPIO5), силовые (GPIO6, GPIO7).

Подавать напряжение на вход GPIO можно только после включения роутера. Дождитесь полной загрузки роутера (около двух минут). Несоблюдение данного требования ведёт к выходу роутера из строя и лишению владельца права на гарантийное обслуживание.
На контакте VOUT напряжение появляется сразу же после подачи питания на роутер.
На вход GPIO нельзя подавать напряжение превышающее напряжение питания роутера. В случае если к GPIO не подключен резистор 10 кОм - нельзя допускать разности напряжения питания роутера и напряжения, подаваемого на вход GPIO. Если резистор в 10 кОм установлен, то разность напряжения питания роутера и напряжения, подаваемого на вход GPIO, допускается.

Электрические характеристики GPIO портов смотрите в Руководстве пользователя на конкретный роутер.

Подключение устройств

При подключении устройств к GPIO роутера рекомендуется последовательно с нагрузкой ставить резистор, номинал которого подбирается исходя из задачи.

Для получения сигнала с подключенного устройства следует в веб-интерфейсе роутера настроить GPIO на вход, а для управления силовой нагрузкой — на выход.

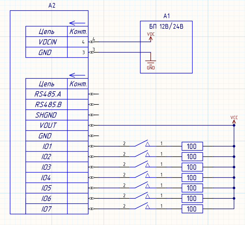
Пример подключения устройств к роутеру приведен на схеме ниже:

GPIO
Figure 1. Пример схемы подключения устройств к GPIO роутера
Применение резисторов в схеме подключения обязательно. Номинал резисторов должен подбираться индивидуально для каждой задачи.

Подключение электромагнитных реле

Для подключения электромагнитных реле рекомендуются следующие схемы подключения:

GPIO1 5
Figure 2. Cхема для подключения электромагнитных реле к GPIO1-GPIO5

Реле, подключенные к GPIO1-GPIO5, управляются уровнем «0», а противоположный контакт катушек этих реле подключается к «+» напряжения питания роутера.

GPIO6 7
Figure 3. Cхема для подключения электромагнитных реле к GPIO6, GPIO7

Реле, подключенные к GPIO6 и GPIO7, управляются уровнем «1», и противоположный контакт катушек этих реле подключается к GND.

Применение диодов в схеме подключения обязательно. Реле и диоды могут быть заменены на ближайшие аналоги.